- Home
- Food processing
- Meat processing
SO 2020 X
Meat processing
SO 2020 X
IoT machine manageable in the cloud with RCS platform
- Made out of stainless steel AISI 304.
- Calibrated pulleys built out of polished
aluminium.
- Airtight bearings on upper pulley.
- Powerful asynchronous and ventilated motors
protected by sealing oil sump.
- 24V controls with safety micro-switch on door
and tray, redundant ECU and motor brake (EC).
- Quick upper pulley releasing mechanism that
makes it easier to clean and change the blade.
- Easily removable and replaceable scrapers.
- Single-phase motors with heat guard
(standard feature).
- Can be cleaned with a water spray
(no high pressure).
- Controls in stainless steel class IP 67.
- The machines use tempered 16 mm blades
to shred bone, frozen or fresh.
- Calibrated pulleys built out of polished
aluminium.
- Airtight bearings on upper pulley.
- Powerful asynchronous and ventilated motors
protected by sealing oil sump.
- 24V controls with safety micro-switch on door
and tray, redundant ECU and motor brake (EC).
- Quick upper pulley releasing mechanism that
makes it easier to clean and change the blade.
- Easily removable and replaceable scrapers.
- Single-phase motors with heat guard
(standard feature).
- Can be cleaned with a water spray
(no high pressure).
- Controls in stainless steel class IP 67.
- The machines use tempered 16 mm blades
to shred bone, frozen or fresh.
Product details
| Model | SO 2020 X |
| Blade lenght | mm 2020 |
| Motor | HP 1,5 - giri 1400 |
| Pulley | mm 210 |
| Working surface | mm 475x490 |
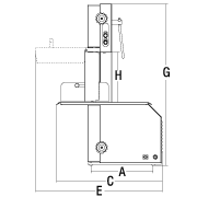
| A | 253 mm |
| B | 346 mm |
| C | 568 mm |
| D | 560 mm |
| E | 710 mm |
| F | 930 mm |
| G | 1030 mm |
| H | 290 mm |
| L | 236 mm |
| M | 362 mm |
| Net weight | Kg 61 |
| Shipping | mm 760x640x1430 |
| Gross weight | Kg 63 |
Other products that may interest you
The best food processing solutions for every professional
Meat processing
BST 150 - 180Meat processing
MULTIBURGMeat processing
BST 100 - 110 - 130Meat processing
BURGER M
